主要产品:栓钉 剪力钉 圆柱头焊钉钢结构螺栓 地脚螺栓   扭剪螺栓 TS型 HS型螺栓  8.8级螺栓 10.9级螺栓 12.9级螺栓 杯头螺栓  平杯螺栓  圆杯螺栓  花型螺帽  防松螺帽 非金属嵌件螺帽  法兰面螺帽 压3点式防松螺母 压3点式防松螺帽 开槽螺母  高强度螺母 石化螺母 石化螺柱  石化双头

专注钢结构产品系列钢结构配件系列产品专业供应商

18330064396

您的位置: 首页 > 行业资讯

咨询热线

18330064396

车轮螺母,如何设计装配扭矩?

浏览次数:1067 发布时间:2023-12-07

轮胎、轮辋与轮辐统称为车轮,车轮不仅对汽车的行驶性能有重要影响,而且对行驶安全性有最直接的影响。在日常的汽车使用中,会听到说某个汽车的轮子都飞出去了的事故,来描述汽车质量的低下或者车辆安全事故的严重性。


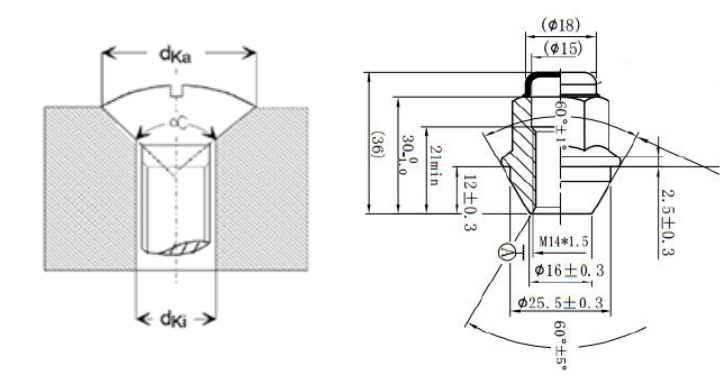
轮辐是轮辋与轮毂的连接件,辐板式轮辐通过它的可定心的紧固孔与轮毂连接。轿车和小型货车通常以60°锥角的螺母座定心,在螺母上施加扭矩,将轮辐和轮毂连接在一起。


今天,从整车数据出发,以后车轮为例,说明车轮螺母的拧紧力矩的开发和计算。  


01

计算需要的相关参数


02


计算外部工作负载

在计算车轮安装扭矩时,需要考虑下面三个工作作用力,其中冲击力FS和制动力FX是车轮和制动盘分界面的动态横向力FQ,车轮转向时的侧向力是螺栓所受的轴向力FA。冲击力FS和制动力FX有设计工况和极限工况。


a.车轮抱死的极限地面制动力

图片

为了求得螺栓抵抗车轮抱死的制动力必须提供的摩擦负载FX1,以车轮中心为旋转点的扭矩等式如下:           

图片

得到, 

图片

b.不发生车轮抱死的制动力矩是由FuzMg决定的,当z≤0.5,覆盖了车辆99.98%的制动减速度。

图片

为了求得螺栓抵抗车轮抱死的制动力必须提供的摩擦负载FX2,以车轮中心为旋转点的扭矩等式如下:

图片

得到:

图片

c.后轮最大垂直负载-车轮冲击力

图片

k=2.5是汽车过载系数。

d.车轮和制动盘分界面的动态横向力

1)极限工况:

图片


2)设计工况:

图片

e.当车轮以最大转向加速度a=1.2g转向时,车轮受到的最大侧向力

图片

f.车辆的侧向加速度在绝大多数的使用工况都小于0.3g, 以a=0.5g计算车轮受到的设计侧向力

图片

03


单个螺栓所受的横向载荷和轴向载荷

a.极限工况下单个螺栓所受的横荷:

图片

设计工况下单个螺栓所受的横向荷:

图片

b.假设最下方螺栓所受的拉力为侧向力的一半,单个螺栓所受极限工况的轴向载荷:

图片

设计工况的轴向载荷:

图片

04


设计工况下单个螺栓传递横向载荷所需要的螺栓轴向力

图片

05


螺栓的装配预载荷

在VDI2230中,螺栓的最小装配预载荷公式是:

图片

这个公式是VDI2230中给出的理论公式,实践中,因为是在常温的工作环境我们没有计算 Δ FVth,计算Φ和FZ涉及到求被连接件的刚度,计算复杂,而且这两个值比较小,并且一正一负可以互相抵消一部分,对计算结果影响有限。我们使用计算螺栓最小夹紧力 :

图片

06


螺母的拧紧扭矩

图片

a.螺母的锥面摩擦扭矩

图片

b.螺母内螺纹处的扭矩

图片

c.螺母的拧紧扭矩

 螺母最小扭矩:

图片

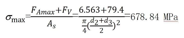
考虑车轮和轮毂接触面的由于压陷和松弛而造成的预载损失,螺栓和螺母的摩擦系数的范围是0.12~0.18,M14*15配对螺栓的利用率,将安装扭矩定为:M=180±10Nm。

07


极限工况下对螺栓的校核

a.在小概率的车轮抱死和车轮冲击力最大的极限工况下,单个螺栓所受的横向在荷FKmax=11.578KN,当M=170Nm,μ=0.18,螺栓轴力FV=49KN时,单个螺栓提供的摩擦力F'K=0.15*48=7.2KN是不能抵抗横向在荷FKmax的。这时就产生了过载,外载荷克服了接合面上的静态摩擦,可能会导致螺栓受到剪切力。需要校核螺栓的剪切应力


接合面上的螺栓截面积

图片
图片

螺栓的剪切应力远远小于螺栓的剪切强度τB=0.6Rm=600Mpa,所以极限状况发生时,螺栓不会被剪断。


b.对于车轮以最大转向加速度a=1.2g转向时带来的最大螺栓轴向力FAmax=6.563KN,要考虑当M=190Nm,m=0.12,螺栓轴力FV=79.4KN时螺栓的拉应力要小于抗拉强度。

图片

σmaxs=0.9Rm=900Mpa,这种极限工况下螺栓不会屈服。


c.对车轮抱死,车轮冲击力达到最大,车辆以最大加速度a=1.2g转向这种最恶劣工况校核,螺栓的当量应力:

图片

σreds=0.9Rm=900Mpa,最恶劣的极限工况下螺栓不会屈服。


对于车轮螺栓螺母的拧紧力矩,合理取得设计工况是最关键的一个步骤,否则会造成螺栓螺母的规格过大,或者太小的规格造成断裂风险。对于极小概率的工况,有滑移但不剪断螺栓是允许的,但不允许滑移频繁产生。虽然极限工况是小概率事件,发生的几率极低,但螺栓不断裂保证车辆安全是必要的。