主要产品:栓钉 剪力钉 圆柱头焊钉钢结构螺栓 地脚螺栓   扭剪螺栓 TS型 HS型螺栓  8.8级螺栓 10.9级螺栓 12.9级螺栓 杯头螺栓  平杯螺栓  圆杯螺栓  花型螺帽  防松螺帽 非金属嵌件螺帽  法兰面螺帽 压3点式防松螺母 压3点式防松螺帽 开槽螺母  高强度螺母 石化螺母 石化螺柱  石化双头

专注钢结构产品系列钢结构配件系列产品专业供应商

18330064396

您的位置: 首页 > 行业资讯

咨询热线

18330064396

螺纹连接的最小装配载荷,如何计算和校核?

浏览次数:1094 发布时间:2023-12-05


1、背景

螺纹拧紧的主要目的是为了获取夹紧力,并实现被连接件的有效夹紧。但实际的夹紧力往往受很多因素的影响,如摩擦、强度、沉降、拧紧方法等。


在连接副承受外载荷情况下,连接副须有足够夹紧力,如没有达到所需夹紧力或工作过程中夹紧力下降至低于最小夹紧力的要求,连接副会出现相对运动,并导致松动。对于承受交变载荷的连接副还可能会因为应力幅较大,导致螺栓疲劳断裂。那么,如何计算和校核螺纹连接的最小装配载荷?以保证连接副的有效拧紧呢?


计算公式代号如下:

ΔF'Vth:温度载荷,

FM min:螺栓最小装配载荷,

FM max:螺栓最大装配载荷,

FM tab:螺栓利用率为90%时预加装配载荷,

FKerf:满足功能的最小夹紧载荷,

FZ:嵌入导致的预加载荷损失,

α:拧紧系数,

Φ*en载荷系数

Fmax:最大外载荷,

FMzul:许用轴力,

A0:螺栓最小截面,

RP0.2min:最小屈服强度

ν:螺栓利用率,

d0:螺栓最小横截面直径,

d2:螺栓螺纹中径

μG min:最小螺纹摩擦系数。


2、螺纹连接载荷关系图解析

要想知道最小的装配载荷,需要深入理解下图的各参数的含义,该图的纵坐标是力,横坐标是长度变化量。其中C点就是满足连接副功能的最小装配载荷,FM,min,那么C点包含哪些载荷呢?

图片

C点→B点:

嵌入导致的预加载荷损失。在装配期间,即使低于屈服点或者限制表面压力的状态,螺栓连接也会发生局部塑性变形,并导致连接松弛,在支撑面、螺纹负载区、其它分界面材料之间会互相嵌入,导致预紧力下降。下降的数值就是Fzfz为由于嵌入导致伸长量的变化。


B点→A点:

由于外载荷FA导致被连接件上装配预紧力下降。外载荷FA加载在连接副上时,其载荷可分为两部分,FSAFPAFA=FSA+FPAFSA是加载在螺栓上的载荷,通常会导致螺栓进一步拉伸;FPA是加载在被连接件上的载荷,通常会导致被连接件装配预紧力的下降。


A点→G点:

这部分载荷FKerf是满足功能的最小夹紧载荷,如对于传递横向载荷和扭矩,连接件有密封需求,防止连接面单边开口等。需根据功能先计算出这个最小夹紧载荷。


D点:

是连接副拧紧方法、拧紧工具、零件摩擦系数波动等因素导致装配轴力的偏差,该点是连接副装配轴力最大的状态FM,maxFM,max - FM,min = ΔFM。FM,max=α * FM,min


E点:

螺纹连接副允许的最大装配载荷,FM,max应小于该载荷,否则连接副可能出现过拧失效。


3、最小装配载荷和计算和校核

理解上图所示载荷关系后,那么最小的装配载荷计算如下:

FM min = FKerf + (1-Φ*en)FA,max + F+ ΔF'Vth

那么公式右边的参数如何计算呢?

3.1 FKerf满足功能的最小夹紧载荷

连接承受扭矩和切向力时,轴向力FKQ通过摩擦面传递切向载荷FQ和扭矩MYqF为切向力接触面数,qM为扭矩接触面数,μT为连接副接触面摩擦系数,ra为扭矩的半径。计算公式如下:

图片

连接副有密封要求时,轴向力FKP用于保证密封所需的压力。AD为米粉密封面积,Pi为密封介质压强。计算公式如下:

图片

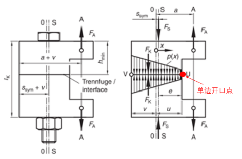
偏心加载时防止单边开口:

图片

如上图所示,当外载荷FA出现偏心时,偏心距离为a,在靠近外载荷位置(图中U点),其压力会降低,当压力降低为零时,被连接件间就会出现开口,为了避免出现开口功能失效,最低的夹紧轴力要求为FKA,FKA的计算公式如下:

图片

外载荷无弯矩MB时,公式的第二项为0,公式简化为:

图片

IBT为分界面区域的转矩,其它参数为尺寸参数,含义可参考上图,该公式的推导过程可详见VDI2230。


综合以上,满足功能的最小夹紧载荷计算公式如下:

图片

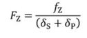
3.2 FZ嵌入导致的预加载荷损失

图片

通常装配过程中的嵌入不会导致预加载荷的损失。因此,达到装配预加载荷的FM仅通过装配完成后由变形fz导致FZ的轴力损失量。根据上图获得数据间的关系,如下:

图片

因此,FZ的计算公式如下,主要和螺栓和被连接件柔度,嵌入量相关,嵌入量主要和零件表面粗糙度相关,关系如下标所示,将支撑面、螺纹负载区、其它分界面嵌入量相加之和即为总嵌入量fZ

图片
图片

3.3 FPA被连接件载荷的变化

外载荷有多少会加载在被连接上呢?根据力-变形三角形:

FSA = Φ * FA

FPA =(1 - Φ)* FA

其中Φ为载荷系数,

图片
图片

3.4 ΔF'Vth是温度载荷

通常在计算时考虑较少,当ΔF'Vth<0时,替换为ΔF'Vth=0。其计算公式如下:

图片

4、最大装配载荷的计算和校核

最大装配载荷的计算公式如下:

FM max = α * FM min

α 为拧紧系数,根据拧紧工具,拧紧方法,和摩擦系数等事先通过查表确定。


因为扭矩法拧紧的最大载荷不超过屈服载荷,因此需满足下面公式:

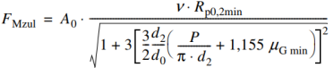
 FM max ≤ FM zul

许用的轴力计算公式如下:

图片

上式中的ν:螺栓利用率通常取0.9,表示屈服强度90%状态下的最大装配轴力。只要螺栓的最大装配载荷不超过该载荷,螺栓就不会发生屈服。

邯郸市永年区佑工紧固件销售有限公司 商业合作热线:18330064396   http://www.hdyougong.com/